 |
|
|
|
|
|
|
Orbit® LTH - Specification
Performance Specification LTH laser
|
|
LTHD/
25/2/B
|
LTHD/
50/10/B |
LTHD/
50/20/B |
LTHD/
120/20/B |
LTHD/
120/40/B |
LTHD/
200/100/B |
LTHD/
300/200/B |
|
Range (mm) |
2 |
10 |
20 |
20 |
40 |
100 |
200 |
|
Offset (mm) Note 1 |
25 |
50 |
50 |
120 |
120 |
200 |
300 |
|
Spot Size (Diameter µm) |
30 |
36 |
36 |
100 |
100 |
100 |
130 |
|
Laser Angle (degrees) |
45 |
30 |
30 |
20 |
20 |
12 |
8 |
|
Linearity (±% FSO) (Note 2) |
|
|
Best (±% FSO) |
0.01 |
0.02 |
0.025 |
0.025 |
0.03 |
0.03 |
0.03 |
|
Typical (±% FSO) |
0.02 |
0.04 |
0.045 |
0.06 |
0.05 |
0.04 |
0.04 |
|
Best (+µm) |
0.2 |
2 |
5 |
5 |
12 |
30 |
60 |
|
Typical (+µm) |
0.4 |
4 |
9 |
12 |
20 |
40 |
80 |
|
Repeatability (μm) (Note 3) |
|
|
Best |
0.1 |
0.2 |
0.4 |
0.5 |
1.0 |
3.0 |
7.0 |
|
Typical |
0.2 |
0.4 |
0.8 |
1.0 |
2.0 |
6.0 |
15.0 |
|
Resolution (μm) |
|
|
(Note 4) |
0.0076 |
0.0381 |
0.0763 |
0.0763 |
0.1526 |
0.3815 |
0.7629 |
|
(Note 5) |
0.02 |
0.05 |
0.23 |
0.23 |
0.80 |
2.00 |
4.00 |
|
Laser |
|
|
Modes (Note 7) |
Diffuse or Specular |
Diffuse only |
|
Weight Head only (g) |
203 |
460 |
|
Power mW / Class (IEC 60825) |
<5 / 3R |
|
Wavelength nm |
670 |
|
Performance |
|
|
Max Sampling Frequency (kHz) |
40.00 |
|
Orbit® Data Rate (Readings/sec) |
3906 |
|
Sampling Cycles |
256/512 μS or 1/2/4/8/16/32/64 ms (Selectable) |
|
Working Bandwidth Hz (Note 6) |
1300, 650, 325, 163, 81, 40, 20, 10 , 5 |
|
Operating Temperature °C |
0 to +40 |
|
Temperature Coefficient |
±0.05% of FSO/°C |
|
Humidity |
10 to 95% non condensing |
|
Emissions/Immunity |
EN61000-6-3 / EN61000-6-2 |
|
Power Orbit® 3 |
5±0.25 VDC @ 0.09A and 24±2.5 VDC @ 0.06A typical |
|
Power Orbit ACS |
18-24 VDC @ 0.13A typical |
|
Interfaces |
|
|
Orbit® 3 |
Interfaces to the Orbit®3 network via the Orbit Support Pack for Windows (for Microsoft
.Net Framework), USB, Ethernet and Serial Interface modules available |
|
Orbit® ACS |
Integral Screen and Keypad, MODBUS or Serial Interfaces |
Note 1: Distance from the laser face to the middle point of the measuring range (mm)
Note 2: Measured on white photographic paper with the laser sample rate set to 4kHz and averaging 4 ms.
Note 3: Measured on white photographic paper with the laser sample rate set to 4 kHz and averaging 16 ms, the laser beam is
blocked between each measurement.
Note 4: Resolution 1 LSB of the Digital System
Note 5: Standard Deviation of 25 Measurements with the laser pointing at a fixed white photographic paper target with the laser
sample rate set to 4 kHz and averaging 16mS
Note 6: Real measurement bandwidth based on ability to reconstruct sine wave at filter frequency
Note 7: Specular Mode is recommended for high reflective (shiny) surfaces. ND filter required specify when ordering.
|
|
|
|
|
 |
| |
|
|
| |
|
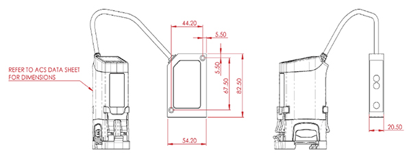
DIMENSIONAL DRAWING
(SOLARTRON PURSUES A POLICY OF CONTINUOUS DEVELOPMENT. SPECIFICATIONS IN THIS DOCUMENT MAY THEREFORE BE CHANGED WITHOUT NOTICE. DIMENSIONS ARE NOMINAL AND SPECIFIED IN MILLIMETRES)
|
|
|
|
| |
| |
 |
| |
|
|
| |
Orbit® LT - Specification
| Technical Specification |
|
| System |
|
| Offset |
45 mm |
| Measurement Range |
45-60 mm (15 mm total) |
| Beam Type |
650 nm visible red IEC and CDRH Class 2 Laser; 0.20 mW radiant output power |
| Beam size |
0.6 mm x 0.9 mm @ 45 mm distance |
| |
0.4 mm x 0.9 mm @ 53 mm distance |
| |
0.3 mm x 0.5 mm @ 60 mm distance |
| Accuracy |
0.1% Full Scale Accuracy over 15mm |
| |
Best accuracy at 49-51 mm |
| Repeatability |
2 µm |
| Resolution |
1 µm |
| Laser Head |
|
| Colour Sensitivity |
< 75 microns for white to dark grey ceramic target |
| Temperature Drift |
+/- 7 µm / oC |
| Operating Temp Range |
-10 to 50 oC |
| Construction |
Housing: Zinc Die Cast |
| |
Cover plate: Aluminium |
| |
Lens: Acrylic |
| Dimensions |
82 mm L x 20 mm W x 55 mm T |
| Environmental Rating |
IP 67 |
| Vibration Testing |
60 Hz, 30 minutes, 3 axis |
| Mechanical Shock |
30 G for 11 milliseconds, 3 axis |
| Outputs |
|
| Orbit® 3 |
USB 2.0 (vis USB interface Module), Ethernet TCP (via Ethernet IM), RS232 Serial (via RS232 IM) |
| Supply voltage |
Orbit® LT Power Supply Interface Module (PSIM LT). Powers up to 8 LT units. |
| Output speed |
4.5 Hz, 45 Hz, or 450 Hz (selectable) |
| |
* Orbit® LT will NOT function with Orbit® 2 module stack. |
| Orbit® ACS |
RS485 OR RS232 Serial Communications, Modbus RTU or Modbus ASCII, Discrete NPN/PNP or Logic. |
| Supply voltage |
12-30 VDC |
| Output speed |
4.5 Hz, 45 Hz |
|
| |
| |
|